走进我们
公司简介
发展历程
资质荣誉
新闻中心
公司要闻
系统动态
融媒矩阵
产业布局
战略规划
业务布局
党建引领
党的建设
企业文化
工会群团
信息公开
企业公告
社会责任报告
投资者关系
成员企业
招投标公告
天然气管网设施公平开放信息
加入我们
人才培养
招聘信息
联系方式
内部OA
走进我们
公司简介
发展历程
资质荣誉
新闻中心
公司要闻
系统动态
融媒矩阵
产业布局
战略规划
业务布局
党建引领
党的建设
企业文化
工会群团
信息公开
企业公告
社会责任报告
投资者关系
成员企业
招投标公告
天然气管网设施公平开放信息
加入我们
人才培养
招聘信息
联系方式
×
走进我们
公司简介
发展历程
资质荣誉
新闻中心
公司要闻
系统动态
融媒矩阵
产业布局
战略规划
业务布局
长输管网
城市燃气(直供)终端
燃气资源(贸易)
综合能源(充换电)
股权投资
党建引领
党的建设
党委简介
党建品牌矩阵
党建新闻
企业文化
企业文化简介
企业文化新闻
工会群团
信息公开
企业公告
社会责任报告
投资者关系
成员企业
招投标公告
天然气管网设施公平开放信息
加入我们
人才培养
招聘信息
社会招聘
校园招聘
联系方式
舒城皖能天然气有限公司
首页
>
供气可靠性关键指标数据
>
正文
公司信息
政策文件公示
气质报告
停气与恢复供气通知
供气可靠性关键指标数据
供气可靠性关键指标数据
公司信息
政策文件公示
气质报告
停气与恢复供气通知
供气可靠性关键指标数据
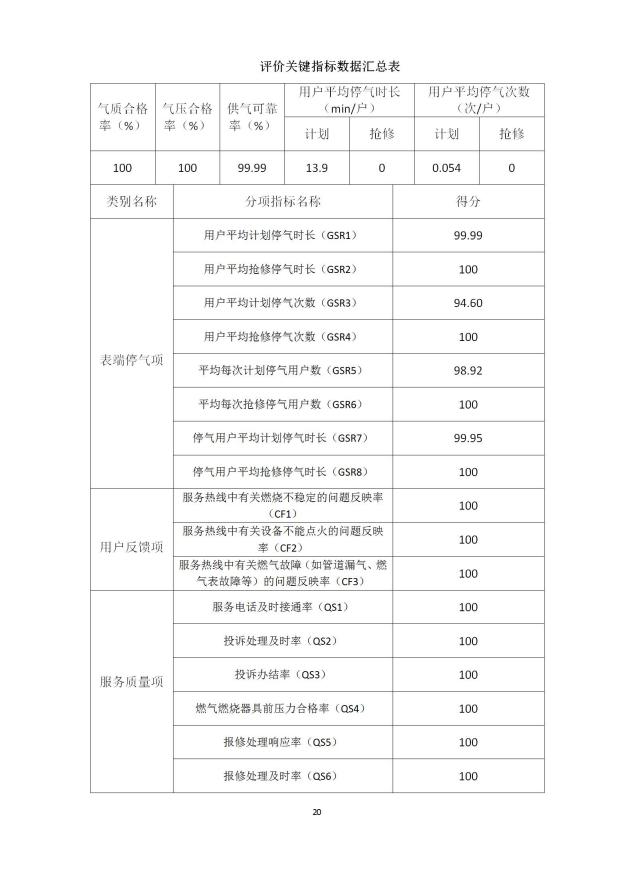
2023年度天然气可靠性关键指标数据
2024.01.05
上一条:
2024年1月份可靠性关键指标数据